Топ-100

Присоединяйтесь к нашей группе в телеграмме

Корзина 0 Товар - 0,00 €

 x 

Корзина пуста

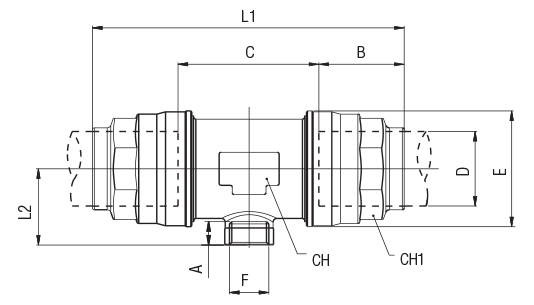
СОЕДИНЕНИЕ ПРОХОДНОЕ С ОТВОДОМ С ВНУТРЕННЕЙ РЕЗЬБОЙ NPTF

9023700005A
Бесплатная доставка Возможность доставки по всей России
Поставляем оборудование и запчасти Устанавливаем его, запускаем и обслуживаем
Подготовка воздуха,трубопровод алюминиевый для сжатого воздуха
Aignep
Артикул: 9023700005A

ПОД ЗАКАЗ!:


D 63

F (NPTF) 3/4

A 14

B 57,5

C 88

E 94

L1 203

L2 54

CH 80

CH1 75

Confezione 1

* Алюминий Пакет 3

Информация