Топ-100

Присоединяйтесь к нашей группе в телеграмме

Корзина 0 Товар - 0,00 €

 x 

Корзина пуста

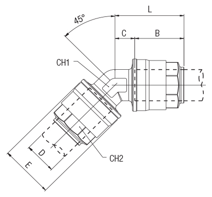
СОЕДИНЕНИЕ УГЛОВОЕ 135°

9014000002
Бесплатная доставка Возможность доставки по всей России
Поставляем оборудование и запчасти Устанавливаем его, запускаем и обслуживаем
Подготовка воздуха,трубопровод алюминиевый для сжатого воздуха
Aignep
Артикул: 9014000002

ПОД ЗАКАЗ!:


D 25

B 38,5

C 13,5

E 42,5

L 52

CH1 26

CH2 35

* Упак. 4

Информация