Топ-100

Присоединяйтесь к нашей группе в телеграмме

Корзина 0 Товар - 0,00 €

 x 

Корзина пуста

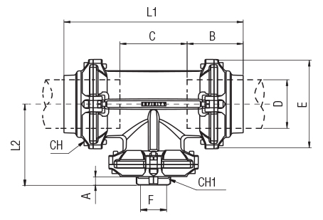
СОЕДИНЕНИЕ ПРОХОДНОЕ С ОТВОДОМ С ВНУТРЕННЕЙ РЕЗЬБОЙ NPTF

9023700009
Бесплатная доставка Возможность доставки по всей России
Поставляем оборудование и запчасти Устанавливаем его, запускаем и обслуживаем
Подготовка воздуха,трубопровод алюминиевый для сжатого воздуха
Aignep
Артикул: 9023700009

ПОД ЗАКАЗ!:


D 80

F (NPTF) 3/4

A 14,5

B 91

C 109

E 145

L1 291,5

L2 138

CH 6

CH1 42

Упак. 1

Информация