Топ-100

Присоединяйтесь к нашей группе в телеграмме

Корзина 0 Товар - 0,00 €

 x 

Корзина пуста

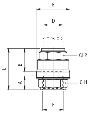
АДАПТЕР ПРЯМОЙ С ВНУТРЕННЕЙ РЕЗЬБОЙ

9003000003
Бесплатная доставка Возможность доставки по всей России
Поставляем оборудование и запчасти Устанавливаем его, запускаем и обслуживаем
Подготовка воздуха,трубопровод алюминиевый для сжатого воздуха
Aignep
Артикул: 9003000003

ПОД ЗАКАЗ!:


 D 32

F 1 "

A 19

B 46

E 52

L 66,5

CH1 38

CH2 45

Pack. 2

Информация