Топ-100

Присоединяйтесь к нашей группе в телеграмме

Корзина 0 Товар - 0,00 €

 x 

Корзина пуста

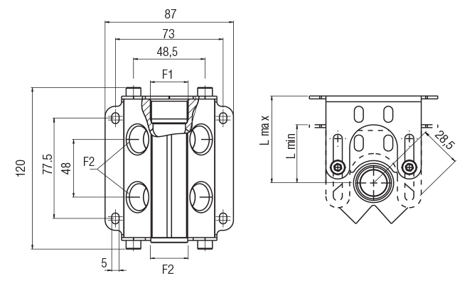
4-МЕСТНОЕ РАСПРЕДЕЛИТЕЛЬНОЕ ПОДКЛЮЧЕНИЕ С РЕЗЬБОЙ NPTF

9064500002
Бесплатная доставка Возможность доставки по всей России
Поставляем оборудование и запчасти Устанавливаем его, запускаем и обслуживаем
Подготовка воздуха,трубопровод алюминиевый для сжатого воздуха
Aignep
Артикул: 9064500002

ПОД ЗАКАЗ!:


F1 3/4

F2 1/2

N ° 4

л макс. 60

л мин. 35

уп. 1

Информация