Топ-100

Присоединяйтесь к нашей группе в телеграмме

Корзина 0 Товар - 0,00 €

 x 

Корзина пуста

НАСТЕННОЕ ПОДКЛЮЧЕНИЕ ПОВОРОТНОЕ

9060000001
Бесплатная доставка Возможность доставки по всей России
Поставляем оборудование и запчасти Устанавливаем его, запускаем и обслуживаем
Подготовка воздуха,трубопровод алюминиевый для сжатого воздуха
Aignep
Артикул: 9060000001

ПОД ЗАКАЗ!:


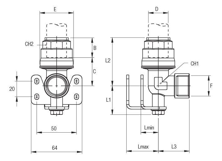
D 20

F 1/2

B 31,5

C 19,5

E 34,5

L1 35

L2 51

L3 35

L Макс. 40

L Мин. 22

CH1 21

CH2 30

Пакет 4

Информация