Топ-100

Присоединяйтесь к нашей группе в телеграмме

Корзина 0 Товар - 0,00 €

 x 

Корзина пуста

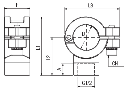
НАКЛАДНОЙ АДАПТЕР ВРЕЗКИ С ВНУТРЕННЕЙ РЕЗЬБОЙ

9024700005
Бесплатная доставка Возможность доставки по всей России
Поставляем оборудование и запчасти Устанавливаем его, запускаем и обслуживаем
Подготовка воздуха,трубопровод алюминиевый для сжатого воздуха
Aignep
Артикул: 9024700005

ПОД ЗАКАЗ!:


D 50

G 1/2

A 15

F 42,5

L1 83,5

L2 52

L3 84,5

CH 6

Упак. два

Информация