Топ-100

Присоединяйтесь к нашей группе в телеграмме

Корзина 0 Товар - 0,00 €

 x 

Корзина пуста

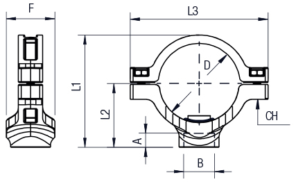
НАКЛАДНОЙ АДАПТЕР ВРЕЗКИ С ВНУТРЕННЕЙ РЕЗЬБОЙ

9024700008
Бесплатная доставка Возможность доставки по всей России
Поставляем оборудование и запчасти Устанавливаем его, запускаем и обслуживаем
Подготовка воздуха,трубопровод алюминиевый для сжатого воздуха
Aignep
Артикул: 9024700008

ПОД ЗАКАЗ!:


D 80

B 1 "

A 19

F 50

L1 120

L2 69

L3 141,5

CH 6

Pack. 1

Информация